產品中心
中間繼電器 |
時間繼電器 |
電壓(yā)繼電器 |
電(diàn)流繼電器 |
過流繼電器 |
抗晃電繼電器 |
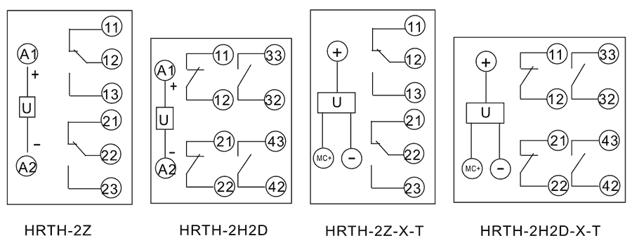
雙位置繼電器 |
跳閘回路監視繼電器 |
同步檢查繼電器 |
相序、斷線保護繼電器 |
分閘、合閘、電源監視繼電器 |
閃光繼電器 |
衝擊繼電器 |
閉鎖繼電器 |
信號繼電器(qì) |
漏電繼電器 |
組合式報警繼電器
微機綜(zōng)合保護測控裝置 |
小型化保(bǎo)護裝置 |
電流型保護裝(zhuāng)置 |
無源自供電(diàn)保護 |
10KV通用保護 |
10KV通用保護測控 |
35KV通用保護測控 |
電壓綜(zōng)合(hé)測控單元 |
通用型差動保護











