產品中(zhōng)心
中間繼電器 |
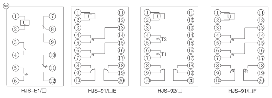
時間繼電器(qì) |
電壓繼電器 |
電流繼電器 |
過(guò)流繼電器 |
抗(kàng)晃電(diàn)繼電器 |
雙位置繼電器 |
跳閘(zhá)回路監視繼電器 |
同步檢查繼電器 |
相序、斷線保護繼電器 |
分閘、合閘、電源監視繼電器 |
閃光繼(jì)電器 |
衝擊繼電器 |
閉鎖(suǒ)繼電器 |
信號繼電(diàn)器 |
漏(lòu)電繼電器 |
組合式報警繼電器(qì)
微機綜合保護測控裝置 |
小型化保護裝置 |
電流型保護裝置 |
無源(yuán)自供電保護 |
10KV通用保護 |
10KV通(tōng)用保護測控 |
35KV通用保護測控 |
電壓綜合測控單元 |
通用型差動保護











